Перейти к содержанию
1 / 6
2 / 6

Проблемы с оверлоком, неисправности


Рекомендуемые сообщения

А ещё, не поверите, могут быть просто неподходящие нитки. У меня такое было. Правда с Мерилоком. Специально купила большие бобины белых ниток. Нужно было много обмётывать. С виду - совсем обычные. Полиэстр. Как ни билась - не смогла избавиться от пропусков. Поставила обычный дортак - и всё заработало.

Ссылка на сообщение
Поделиться на другие сайты

иглы проверяла до упора,а нитки "идеал",хочу сходить другие купить попробовать.Спасибо за ответы.

Ссылка на сообщение
Поделиться на другие сайты

На "идеале" может и пропускать, нитки своеобразные, с ними - как повезёт.

 

Игла ткани соответствует?
На трикотаж синтетический\с лайкрой нужны иглы с маркировкой Стретч или Суперстретч.

Ссылка на сообщение
Поделиться на другие сайты

Здравствуйте! Я поменяла нитки,взяла обычные хлопковые и машина зашила идеально.Мне сказали ,что на "Идеале"не правильно нити закручены.Всем большое спасибо за советы !

Ссылка на сообщение
Поделиться на другие сайты

На "Идеал" у многих нарекания. Даже здесь на "Сезоне" неоднократно жаловались. А мне сейчас с заказом опять пять коробок его принесли :(

Изменено пользователем Татьяна Стец
Ссылка на сообщение
Поделиться на другие сайты


На "Идеал" у многих нарекания. Даже здесь на "Сезоне" неоднократно жаловались. А мне сейчас с заказом опять пять коробок его принесли :(
У меня решился вопрос о нитках,как только купила силиконовый спрей в автомагазине по совету наших форумчан Я подумала ,если на распошивалке нитки проходят ,то почему на других машинах нельзя ? Пошла купила самый дешевый силиконовый спрей
11014613_w640_h640_cid127906_pid766210_b8d20a12.jpg
и забрызгала все капризные нитки. Результат - машинки стали шить без проблем и очень нравится ,что пятна на ткани после утюжки не остаются.
Но это мой опыт ,все надо пробовать !

Нужно помыть голову.Изнутри !:-)

мой альбом, мой инстаграм, моя страница в ВК

Ссылка на сообщение
Поделиться на другие сайты

Вот как можно давать такие пояснения?!Как всегда блещет знаниями всем известный магазин.
"Швы на Juki 735 при неправильной заправке и настройке будут пропускать."
И тут же предлагаются более дорогие и выгодные для продаж марки.
Можно подумать. что есть чудо-машины, где и заправишь неправильно, и настроишь кое-как, а он шьют замечательно.

Ссылка на сообщение
Поделиться на другие сайты

Добрый день.
Очень нужен совет - мой оверлок шьет слишком быстро (для меня). Читала, что можно что-то в педали отрегулировать, чтоб он стал шить помедленее. толкьо вот что конкретно?

Изменено пользователем Jioti
Ссылка на сообщение
Поделиться на другие сайты

Здравствуйте! Подскажите, пожалуйста, почему на оверлоке Прима, нитка задерживается прямо на катушке, а в последствии и рвется?

Ссылка на сообщение
Поделиться на другие сайты

Возможно, дело не в оверлоке, а в том, как намотана нитка на катушку или в том, как эта катушка установлена на оверлок.
Не пробовали заменить бобинку?
Заправлено всё правильно?
Под бобинкой есть фетровое\драповое колечко?

Ссылка на сообщение
Поделиться на другие сайты

Покажите фото бобины и как она стоит.

Я всегда испытываю затруднения, когда нужно сказать что-то ванильно-зефирное, а вот сарказма и подколок во мне на целый глоссарий ))))).

Ссылка на сообщение
Поделиться на другие сайты


нить с катушки делает несколько витков свободно, затем натягивается и рвется

Штангу нитенаправителя вы подняли? ( всякое бывает) Изменено пользователем knопка

Тысячи людей живут и не смотрят на Большую Медведицу!.

Ссылка на сообщение
Поделиться на другие сайты

почему на оверлоке Прима, нитка задерживается прямо на катушке, а в последствии и рвется?
На всех установленных катушках? Или только на какой-то одной, конкретной? Катушки ставите новые? Нить на них "освободили"? А то всякое может быть...
Ссылка на сообщение
Поделиться на другие сайты

Ссылка на сообщение
Поделиться на другие сайты

Рвется только на одной - третьей, катушки ставила новые, пробовала рукой натягивать, несколько витков идут свободно, а потом натягивается, чуть, чуть подправишь, снова пошла, а в рабочем виде, сразу образуется прорыв...

Ссылка на сообщение
Поделиться на другие сайты

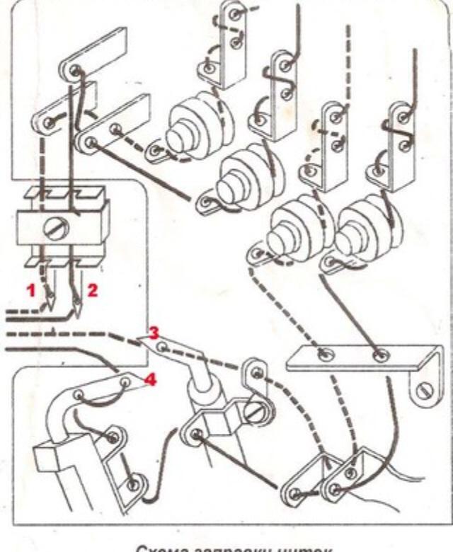
post-28197-1413734698_thumb.jpg post-28197-1413734715_thumb.jpgтакой? Поставьте другую катушку, если нет других поменяйте местами . Если дело не в катушке, проверяйте путь третьей нитки, по правильности заправки и по наличию заусениц на деталях по пути следования.
Мне попадалась катушка, которая стопорилась из-за непонятной намотки ниток, все были одинаковые, и визуально ничем не отличались , просто убрала ее.

 

Между тарелочками натяжителя покопайтесь, может пух набился

Изменено пользователем knопка

Тысячи людей живут и не смотрят на Большую Медведицу!.

Ссылка на сообщение
Поделиться на другие сайты

да, такой, поняла в чем дело, оказывается, самый первый нитконаправитель немного отклонился в сторону, и оказался не над катушкой ровно, вот я - балда , спасибо всем !

Ссылка на сообщение
Поделиться на другие сайты

У оверлока Janome ML 4952 стала рваться нить верхнего петлителя между направителем верхнего петлителя и самим верхним петлителем. Ничего не помогает. Причем, вот только шила, и все было замечательно. Затем заменила нитки на точно такие же, но другого цвета, и понеслось.
Если шить медленно маховым колесом или очень-очень медленно педалью, то все, вроде бы, нормально. Только начинаю шить с обычной средней скоростью, то через три - четыре см шва, нить обрывается.
Подскажите, что это может быть. Уже все осмотрела на предмет всяческих зазубрин, неровностей и острых краешков. Ничего не нашла. С натяжением все в порядке, вроде.

Ссылка на сообщение
Поделиться на другие сайты

1. неправильная последовательность заправки нитей
2. пух от ниток в оверлоке

Моя тема на Сезоне

Моя детская тема на Сезоне

Я - не швея, не портной. Шитьем (в качестве бизнеса) не увлекаюсь. Шью для сына и собак.

Ссылка на сообщение
Поделиться на другие сайты

У оверлока Janome ML 4952 стала рваться нить верхнего петлителя между направителем верхнего петлителя и самим верхним петлителем. Ничего не помогает. Причем, вот только шила, и все было замечательно. Затем заменила нитки на точно такие же, но другого цвета, и понеслось.
Если шить медленно маховым колесом или очень-очень медленно педалью, то все, вроде бы, нормально. Только начинаю шить с обычной средней скоростью, то через три - четыре см шва, нить обрывается.
Подскажите, что это может быть. Уже все осмотрела на предмет всяческих зазубрин, неровностей и острых краешков. Ничего не нашла. С натяжением все в порядке, вроде.

 

Если нить начала рваться после замены, возможно дело в нити (?)

Изменено пользователем девушка на шпильках

Лучшая работа- высокооплачиваемое хобби.

Ссылка на сообщение
Поделиться на другие сайты


Если нить начала рваться после замены, возможно дело в нити (?)

Вы правы дело оказалось в нити. Мне конечно, говорили, что нитки "идеал" зло. Все беды от них. Но я как-то не обращала на внимания, так как никогда ими не пользовалась. А тут мне не хватало одной катушки нужного мне цвета, и в магазине мне этот цвет нашли только среди "идеалов", а я и не обратила внимания. И именно эта нить и рвалась.
Поменяла эту катушку на нормальные нитки, но не совсем подходящего оттенка, и опять все замечательно
Ссылка на сообщение
Поделиться на другие сайты


Вы правы дело оказалось в нити. Мне конечно, говорили, что нитки "идеал" зло. Все беды от них. Но я как-то не обращала на внимания, так как никогда ими не пользовалась. А тут мне не хватало одной катушки нужного мне цвета, и в магазине мне этот цвет нашли только среди "идеалов", а я и не обратила внимания. И именно эта нить и рвалась.
Поменяла эту катушку на нормальные нитки, но не совсем подходящего оттенка, и опять все замечательно

 

Я заметила, что в последнее время качество ниток ухудшилось. Иногда идет откровенная какашка. :(
Кусками по метру. Намотаны на катушку.

Лучшая работа- высокооплачиваемое хобби.

Ссылка на сообщение
Поделиться на другие сайты

  • Последние посетители   0 пользователей онлайн

    • Ни одного зарегистрированного пользователя не просматривает данную страницу
×
×
  • Создать...